an abstract photo of a curved building with a blue sky in the background

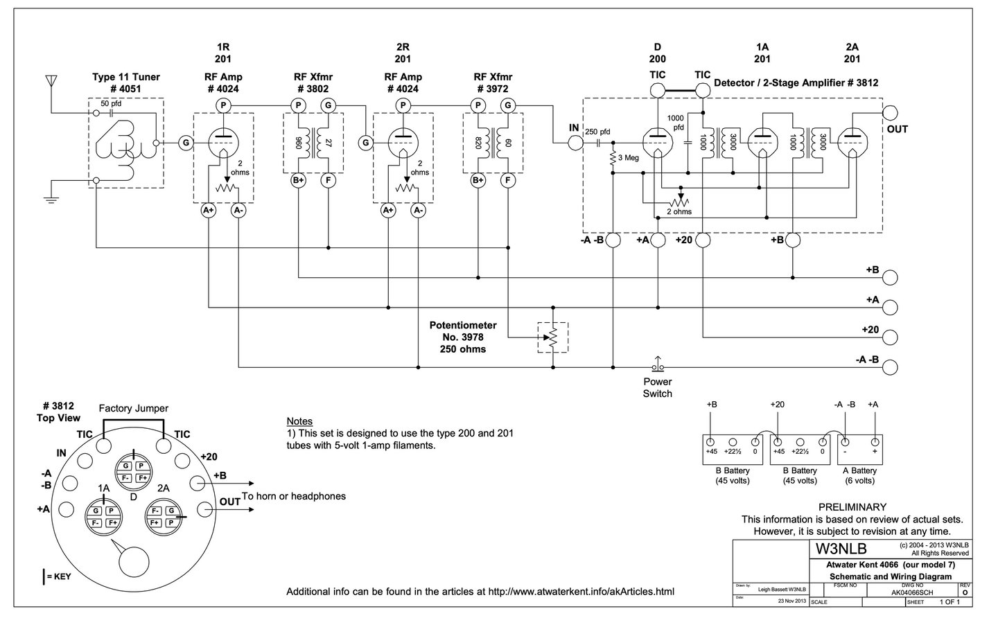
Model 7 TYPE 4066 SCHEMATIC

Leigh Bassett, W3NLB All Rights Reserved