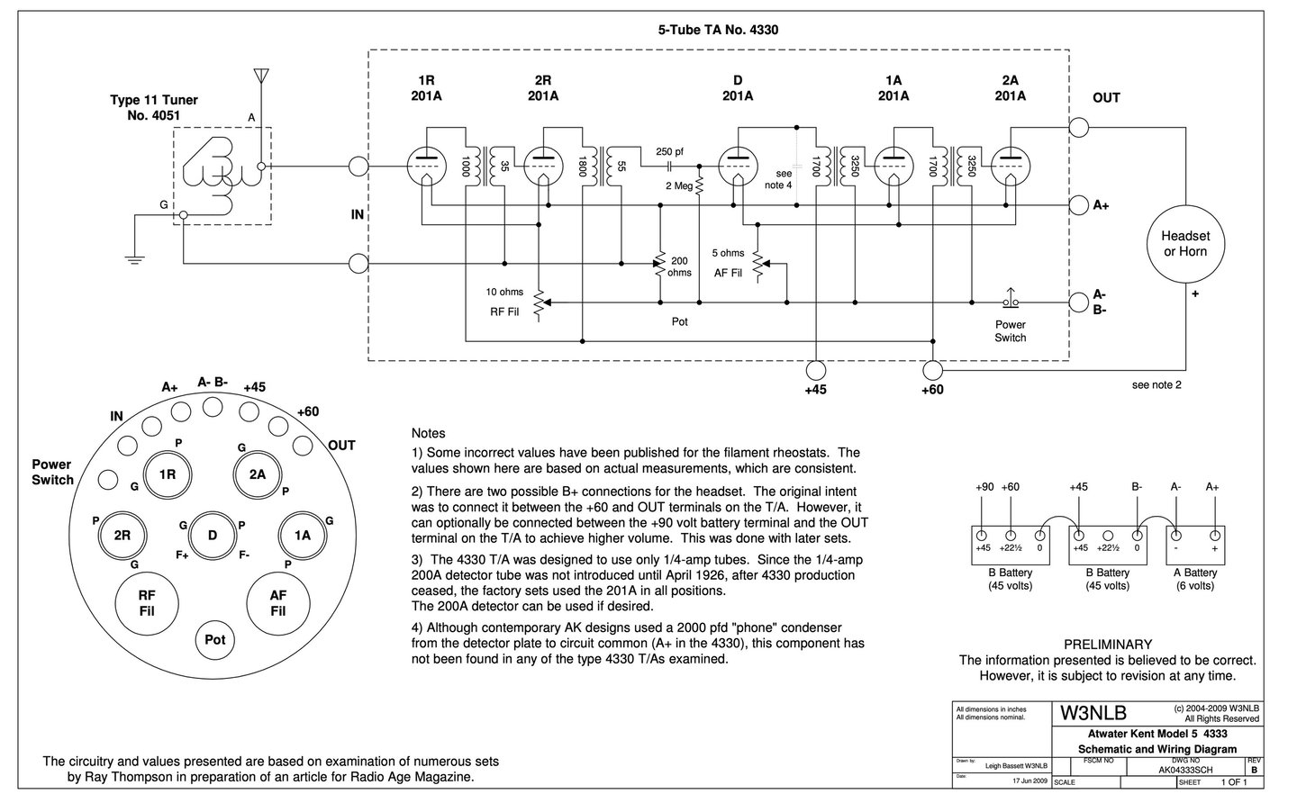
ⓒ Leigh Bassett, W3NLB All Rights Reserved
© 2025 Atwaterkent.org. All Rights Reserved. [Terms of Use] [Privacy Policy]