an abstract photo of a curved building with a blue sky in the background

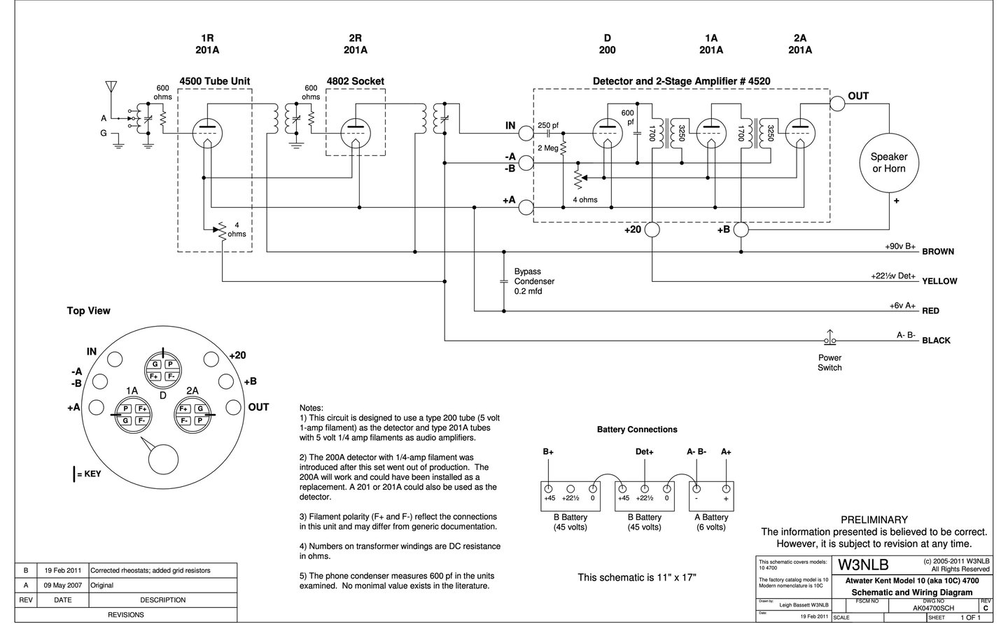
Model 10C TYPE 4700 SCHEMATIC

Leigh Bassett, W3NLB All Rights Reserved

Atwater Kent Factory Schematic Model 10C
Atwater Kent Factory Schematic Model 10C

Atwater Kent Factory Service Manual Schematic Model 10C